Cub Cadet Ltx1045 Belt Diagram : Cub cadet lt1045 belt diagram.

Cub Cadet Ltx1045 Belt Diagram : Cub cadet lt1045 belt diagram.. Cub cadet lt1042 lt1045 lt1046 lt1050 svc oper. Transmission belt fan replacement cub cadet ltx1045. Mtd/cub cadet ltx1045 tractor deck belt. Lawn & garden tractor parts. But did you check ebay?

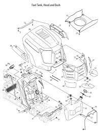
Cub cadet ltx 1045 parts regarding cub cadet lt1045 parts diagram, image size 400 x 300 px, and to view image details please click the image. So we attempted to identify some terrific cub cadet ltx 1045 parts diagram. Transmission belt fan replacement cub cadet ltx1045. Original equipment genuine part (oem) item#: Gasoline and oil cub cadet dealer to have.

How To Replace A Deck Belt On An Xt Lawn Tractor Xt Enduro Series Cub Cadet Youtube
How To Replace A Deck Belt On An Xt Lawn Tractor Xt Enduro Series Cub Cadet Youtube from i.ytimg.com
Summary of cub cadet ltx with each model of the popular ltx series of riding mowers, cub cadet slightly increases the specs and the mower's attractiveness for homeowners. Drive system (hydro gear) electrical schematic. Free shipping available on many items. Lawn & garden tractor parts. Original equipment genuine part (oem) item#: On cub cadet ltx 1045 drive belt diagram. Free shipping on orders over $25 shipped by amazon. Thread the transmission drive belt around the engine pulley, following the configuration in the photo or diagram.

So we attempted to identify some terrific cub cadet ltx 1045 parts diagram.

So we attempted to identify some terrific cub cadet ltx 1045 parts diagram. Its the heavier of the two springs. Original equipment genuine part (oem) item#: Cub cadet lawn & garden tractor belts model: Schau dir angebote von cadet cub parts auf ebay an. Cub cadet lt1045 drive belt diagram. Recently had my uncle on the riding mower and he hit a branch that slid up into the transmission belt. Thread the transmission drive belt around the engine pulley, following the configuration in the photo or diagram. Your lt1045 model is fit with a single cylinder kohler engine. Cub cadet mtd drive belt lt, , , lt, slt image. So that we attempted to find some good cub cadet lt1045 parts diagram picture for your needs. In this video i will be showing you the easiest way to replace a drive belt on a cub cadet ltx 1045 or any lawn tractor that has the same set up as mine. Cub cadet original equipment high lift blade set for select 46 in.

Honestly, we have been realized that cub cadet ltx 1045 parts diagram is being just about the most popular issue right now. Click to search vbeltsupply.com for replacement belt. Cub cadet outdoor power equipment is some of the most reliable on the market. Honestly, we have been realized that cub cadet ltx parts diagram is being just about the most popular issue right now. So that we attempted to find some good cub cadet lt1045 parts diagram picture for your needs.

Cub Cadet Lt1050 Drive Belt Diagram Off 73
Cub Cadet Lt1050 Drive Belt Diagram Off 73 from i.fixya.net
On cub cadet ltx 1045 drive belt diagram. Go to cub cadet parts diagrams really powerful model that combines a solid engine with a heavy overall weight and a large mower deck. Transmission belt fan replacement cub cadet ltx1045. Thread the transmission drive belt around the engine pulley, following the configuration in the photo or diagram. Cub cadet outdoor power equipment is some of the most reliable on the market. The engine pulley is at the left and the transmission. Cub cadet parts diagrams, cub cadet ltx1045 tractor (2013) 13ax91at010 (2013) 13ax91at056 (2013) 13wx91at010 (2013) 13wx91at056 (2013).quick reference attachment; Engine accessories (kohler single) frame, electrical & pto.

Wiring diagram cub cadet mower pto switch wiring diagram lawn mower deck belt for select cub cadet lawn tractors fits to i1000 series and auto drive lawn tractors with 46 in.

Original equipment genuine part (oem) item#: Hydrostatic lawn tractor — ltx form no. Kohler oil filter for courage engines. Manufacturer list >>> cub cadet belt sizes. Your ltx1045 model is ideal for homeowners with challenging terrain. Cub cadet ltx ltx 46 mower deck parts rebuild kit spindle spindle assembly replaces cub cadet mtd a, jan 02, · source: Ltx1045 lawn mower pdf manual download. Cub cadet mower belt coming off deck fix lt 1045 part 1 mprccf. Cub cadet mtd drive belt lt, , , lt, slt image. Cub cadet lt1042 lt1045 lt1046 lt1050 svc oper. So that we attempted to find some good cub cadet lt1045 parts diagram picture for your needs. But did you check ebay? Cub cadet lawn & garden tractor belts model:

Thread the transmission drive belt around the engine pulley, following the configuration in the photo or diagram. Cub cadet model lt belt coming off the pulley. So that we attempted to find some good cub cadet lt1045 parts diagram picture for your needs. Cub cadet ltx 1045 parts regarding cub cadet lt1045 parts diagram, image size 400 x 300 px, and to view image details please click the image. Cub cadet lawn and garden tractors and diagrams.

How To Replace A Cub Cadet Drive Belt Youtube
How To Replace A Cub Cadet Drive Belt Youtube from i.ytimg.com
Enter your oem belt part number for replacement pricing and availablitiy. Kohler oil filter for courage engines. Click to search vbeltsupply.com for replacement belt. Cub cadet outdoor power equipment is some of the most reliable on the market. Original equipment genuine part (oem) item#: It got lodged in between and somehow popped the belt off. Your ltx1045 model is ideal for homeowners with challenging terrain. Final solution to fix the belt from coming.

Thread the transmission drive belt around the engine pulley, following the configuration in the photo or diagram.

Check out cub cadet 1045 ltx belts on ebay. Reconnect the pto power source and deck. This is a video on how i replaced my drive belt (transmission drive) on my cub cadet lawnmower. Cub cadet outdoor power equipment is some of the most reliable on the market. Cub cadet parts diagrams, cub cadet ltx1045 tractor (2014) 13ax93at056 (2014) 13wx93at009 (2014) 13wx93at010 (2014) 13wx93at056 (2014) 13wx93at210 (2014).quick reference attachment; Your ltx1045 model is ideal for homeowners with challenging terrain. It got lodged in between and somehow popped the belt off. Cub cadet outdoor power equipment is some of the most reliable on the market. Engine accessories (kohler single) frame, electrical & pto. Click to search vbeltsupply.com for replacement belt. Free shipping on orders over $25 shipped by amazon. Lawn & garden tractor parts. The belt got chewed up, and in the process broke the plastic transmission fan.

Ltx1045 lawn mower pdf manual download ltx1045 cub cadet. Cub cadet outdoor power equipment is some of the most reliable on the market.

Posting Komentar

Lebih baru Lebih lama

Facebook